小猪生活
首页
美食营养
生活百科
知识问答
生活知识
返回
小猪生活
首页
美食营养
游戏数码
手工爱好
生活知识
生活百科
健康养生
运动户外
职场理财
情感交际
母婴教育
时尚美容
知识问答
更多知识
搜索
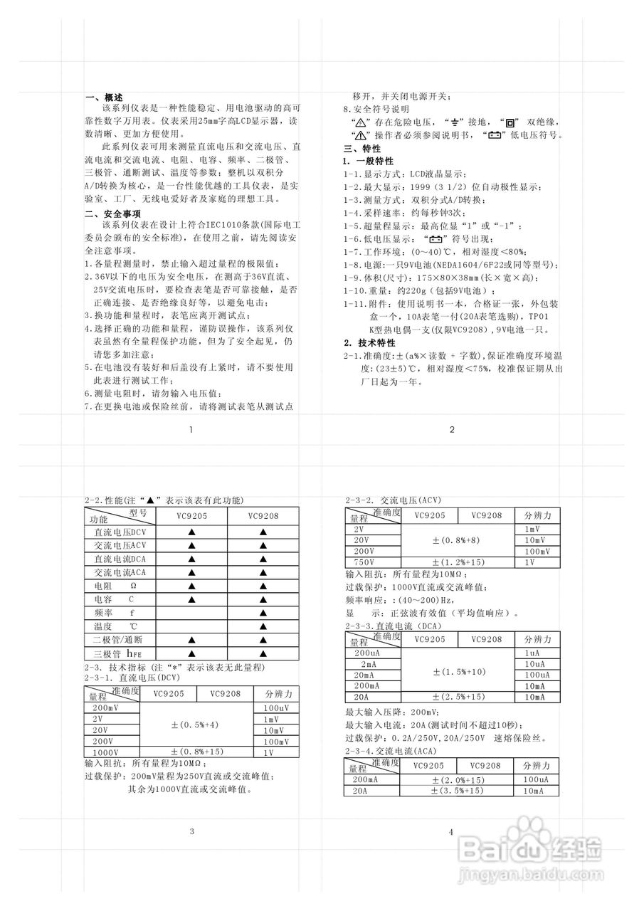
胜利数字万用表VC9205说明书
2026-02-16 10:02:27
相关推荐
电流互感器的接线方法
阅读量:40
单相电机电容怎么接线
阅读量:186
用一个浮球和一个交流接触器手动自动控制三相潜水泵接线图
阅读量:47
单相电机正反转接线图倒顺开关接电机怎么接
阅读量:172
带互感器三相四线电表接线图/接线方法
阅读量:152
猜你喜欢
扣肉的家常做法
cad怎么设置单位
虾的做法大全家常
绿萝的养殖方法
央视网视频怎么下载
痔疮最佳治疗方法
怎么创建qq群
糖醋蒜怎么腌制最好吃
湿疹最佳治疗方法
单机游戏大全
猜你喜欢
芦荟的养殖方法和注意事项
月子病怎么治
抽样调查方法
怎么解压rar文件
鳄鱼肉好吃吗
锻炼胸肌最有效的方法
马桶堵住了该怎么疏通最简单方法
虾仁的家常做法
背上长痘痘怎么治疗
三角粽子怎么包